98色花堂-98色花堂官方最新精华驿站
手机版
|
繁
|
无障碍阅读
|
关怀版
主页
98色花堂动态
98色花堂公开
政务服务
走进河源
政民互动
主页
>
98色花堂公开
>
重点领域信息
>
征地信息公开
>
一书四方案(一书三方案)
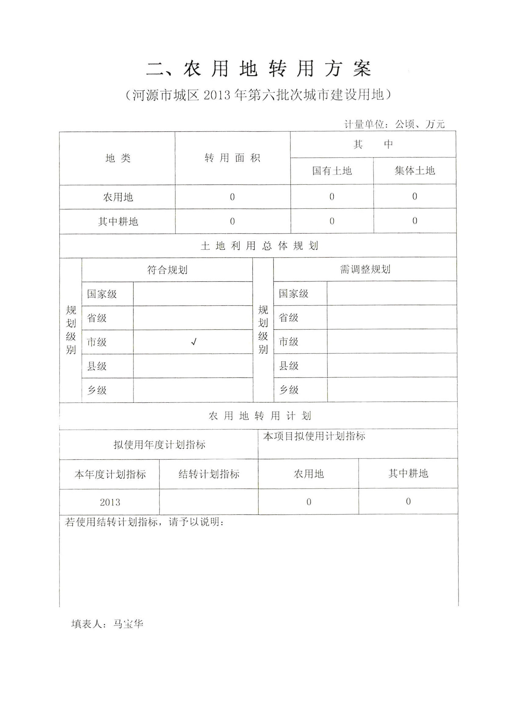
河源市城区2013年度第六批次建设用地
发布日期:2013-02-21 00:00:00
来源:本站
作者:
阅读人次:
-
【字体大小:
大
中
小
默认
】 分享
微信扫一扫:分享
扫一扫,分享给好友或朋友圈
信息来源:国土资源局