98色花堂-98色花堂官方最新精华驿站
手机版
|
繁
|
无障碍阅读
|
关怀版
主页
98色花堂动态
98色花堂公开
政务服务
走进河源
政民互动
主页
>
98色花堂公开
>
重点领域信息
>
环境保护信息公开
>
执法监管信息
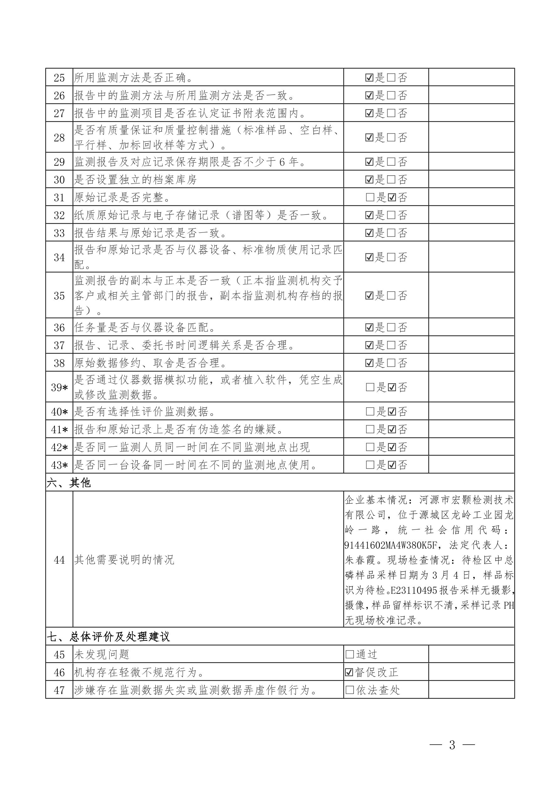
2024年第1季度生态环境监测机构“双随机、一公开”检查结果公示
发布日期:2024-03-28 15:10:39
来源:本网
作者:
阅读人次:
-
【字体大小:
大
中
小
默认
】 分享
微信扫一扫:分享
扫一扫,分享给好友或朋友圈